22mm 行星齒輪箱
PG22 系列
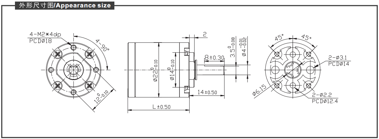
Dia:?22×(17~27.6)mm
PG22 系列
Dia:?22×(17~27.6)mm
描述
齒輪箱類型: 直齒輪行星結構
齒輪材料: 粉末冶金,鋼,POM
外殼材料: 金屬
輸出軸軸承: 軸套軸承
空載時背隙:<1°,MIN0.3°
軸向間隙: <0.2mm
徑向間隙: ≤0.05mm(離安裝面5mm )
輸出軸直徑為Φ4.0mm,長度可根據客戶要求定制
- 齒輪箱可搭配RF-180、2238、ZY22、F130電機,組裝在一起組成行星減速電機
- 優點:體積小,噪音低,壽命長,可應用于玩具禮品、辦公設備等
- 警告:齒輪箱齒輪極限扭矩(損壞扭矩)是12kgf.cm。當使用低轉速、高減速比時,請選用低功率電機,使用時請做好保護措施。
轉向: CW/CCW
操作溫度范圍: -40 °C~+100°C
使用相對濕度: 20%~85%RH
產品特點:
輸出軸直徑為Φ4.0mm,長度可根據客戶要求定制
齒輪箱可搭配RF-180、2238、ZY22、F130電機,組裝在一起組成行星減速電機
- 優點:體積小,噪音低,壽命長,可應用于玩具禮品、辦公設備等
- 警告:齒輪箱齒輪極限扭矩(損壞扭矩)是12kgf.cm。當使用低轉速、高減速比時,請選用低功率電機,使用時請做好保護措施。
- PDF下載地址:PG22齒輪箱

熱門關鍵詞:
發送留言
有任何需要或問題,請填寫在下面方格并提交,我們將盡快回復您
聯系我們
地址: 寧波市鄞州區
姜山鎮明曙路1269號
郵編: 315191
姜山鎮明曙路1269號
郵編: 315191